Jauno enerģijas transportlīdzekļu gaisa kondicionēšanas sistēma galvenokārt sastāv no ventilācijas sistēmas, dzesēšanas sistēmas, apkures sistēmas, gaisa attīrīšanas sistēmas un vadības sistēmas.
I. Gaisa kondicionēšanas dzesēšanas sistēmas darbības princips
Dzesēšanas sistēmas funkcija ir atdzesēt gaisu transportlīdzekļa iekšpusē vai svaigo gaisu, kas ienāk no ārpuses, tādējādi samazinot temperatūru transportlīdzekļa iekšpusē.

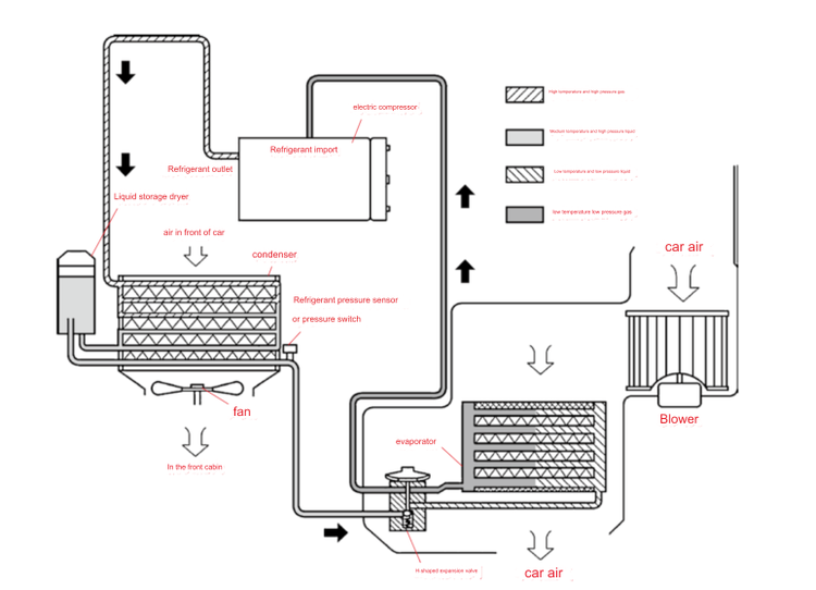
1 - Ventilators 2 - Kondensators 3 - Kompresors 4 - Izplešanās vārsts 5 - Ventilators 6 - Iztvaicētājs 7 - Uztvērējs-žāvētājs

1. Dzesēšanas maršruts transportlīdzekļa iekšpusē

Aukstumaģents tiek uzpildīts slēgtā dzesēšanas sistēmā. Kompresora darbības rezultātā aukstumaģents cirkulē. Tas kondensējas no gāzveida uz šķidrumu pie kondensatora, izdalot siltumu; un tas pie iztvaicētāja iztvaiko no šķidruma uz gāzveida, absorbējot siltumu, tādējādi samazinot temperatūru transportlīdzekļa iekšpusē.

1 - Kondensators 2 - Elektriskais kompresors 3 - Uztvērējs-žāvētājs 4 - Strāvas akumulators 5 - Elektriskais ventilators 6 - Izplešanās vārsts 7 - Siltums siltummainis 8 - Ventilators 9 - Iztvaicētājs transportlīdzekļa iekšpusē 10 - Izplešanās vārsts dzesēšanai transportlīdzekļa iekšpusē
2. Akumulatora dzesēšanas ceļš
Gaisa kondicionēšanas sistēmas aukstumaģenta cirkulācijas cilpa sastāv no diviem paralēliem atzariem: viena dzesēšanai transportlīdzekļa iekšpusē un otra jaudas akumulatora bloka dzesēšanai. Katrai atzarai ir izplešanās vārsts, lai neatkarīgi kontrolētu dzesēšanas funkciju.
Enerģijas uzglabāšanas vadības elektroniskā ierīce var kontrolēt un atvērt izplešanās vārstu, pieliekot spriegumu, lai aukstumaģents varētu ieplūst enerģijas uzglabāšanas akumulatora blokā, tādējādi atdzesējot enerģijas uzglabāšanas akumulatoru. Arī dzesēšana transportlīdzekļa iekšpusē tiek veikta pēc vajadzības, un izplešanās vārstu iztvaicētāja priekšā kontrolē elektriskā un elektroniskā sistēma.

1 - Kondensators 2 - Elektriskais kompresors 3 - Uztvērējs-žāvētājs 4 - Strāvas akumulators 5 - Elektriskais ventilators 6 - Izplešanās vārsts 7 - Siltums siltummainis 8 - Ventilators 9 - Iztvaicētājs transportlīdzekļa iekšpusē 10 - Izplešanās vārsts dzesēšanai transportlīdzekļa iekšpusē
II. Gaisa kondicionētāja apkures darbības princips
Agrīnās dienās elektrisko transportlīdzekļu sildītāji parasti izmantoja elektriskos sildītājus. Mūsdienās arvien vairāk elektrisko transportlīdzekļu sildītāju apkurei izmanto siltumsūkņus un gaisa kondicionēšanu. Kad gaisa kondicionēšanas sistēmas aukstumaģents plūst noteiktā virzienā, tas atrodas dzesēšanas režīmā. Šajā laikā kondensators un iztvaicētājs pilda savas attiecīgās funkcijas, un iztvaicētājs ir atbildīgs par transportlīdzekļa iekšpuses dzesēšanu. Kad aukstumaģents plūst pretējā virzienā, tas pāriet sildīšanas režīmā. Šajā laikā iztvaicētājs kļūst par kondensatoru un ir atbildīgs par transportlīdzekļa iekšpuses sildīšanu. Gaisa kondicionēšanas apkures efektivitāte ir 3 līdz 4 reizes lielāka nekā elektriskajam sildītājam, un tā ir energoefektīvāka. Tāpēc arvien vairāk elektrisko transportlīdzekļu sildītājus nomaina uz gaisa kondicionēšanas apkuri.

1. PTC ūdens sildīšanas sildītāja darbības princips
Tīri elektriskie transportlīdzekļi var izmantot PTC sildītājus, lai tieši sildītu gaisu, vai izmantot PTC sildītājus, lai sildītu dzesēšanas šķidrumu, lai sildītu gaisu. Izmantojot PTC sildītājus tiešai gaisa sildīšanai, tīri elektriskam transportlīdzeklim var tieši pielietot tikai tradicionālā transportlīdzekļa gaisa kondicionētāja sildītāja serdi nomainot ar PTC sildītāju un papildinot ar nepieciešamo vadības aprīkojumu.

2. Siltumsūkņa gaisa kondicionēšana
Salīdzinot ar PTC sildītājiem, siltumsūkņa gaisa kondicionēšana var ievērojami samazināt enerģijas patēriņu un palielināt transportlīdzekļu ziemas braukšanas diapazonu. Tomēr siltumsūkņu sistēmu zemas temperatūras apkures efektivitāte ir zema un izmaksas ir salīdzinoši augstas. Tāpēc lielākā daļa transportlīdzekļu ražotāju joprojām apkurei izmanto PTC sildītājus. Nākotnē, nepārtraukti attīstoties zemas temperatūras siltumsūkņu tehnoloģijai, siltumsūkņu gaisa kondicionēšanas pielietojums kļūs arvien izplatītāks.

Siltumsūkņa gaisa kondicionēšanas sistēmas sastāvs: 1 - Izplešanās vārsts uz jaudas akumulatora bloka 2 - Elektriskais kompresors 3 - Ventilators transportlīdzekļa salonam 4 - Elektriskā apsildes ierīce {{4 }} Izplešanās vārsts transportlīdzekļa iekšējās telpas iztvaicētājam 6 - Noslēgšanas vārsts starp kondensatoru un žāvētāja pudeli 7 - Noslēgšanas vārsts starp elektrisko kompresoru un siltumsūkņa siltummaini {{9 }} Siltumsūkņa siltummainis 9 - Uztvērējs-žāvētājs

Elektrisko transportlīdzekļu gaisa kondicionēšanas apsildei ir trīs darba režīmi: gaisa režīms, dzesēšanas šķidruma režīms un gaisa + dzesēšanas šķidruma režīms.
(1) Gaisa režīms
Gaisa kondicionēšanas kompresors iespiež augstas temperatūras un augstspiediena aukstumaģenta gāzi kondensatorā. Aukstumaģents, kas izplūst no kondensatora, ieplūst termiskās izplešanās vārstā. Pēc izplūdes no termiskās izplešanās temperatūra tiek nedaudz pazemināta, un pēc tam tā ieplūst divos kondensatoros, lai panāktu divus sildīšanas procesus un uzlabotu sildīšanas efektu. Pēc tam aukstumaģents ieplūst citā termiskās izplešanās traukā un tad iztvaicētājā. Tā kā aukstumaģenta temperatūra iztvaicētājā ir zemāka par apkārtējā gaisa temperatūru, tas absorbēs apkārtējā gaisa siltumu un iztvaiko. Zemas temperatūras un zema spiediena aukstumaģenta gāze beidzot plūst atpakaļ uz kompresoru nākamajam ciklam.


(2) Dzesēšanas šķidruma režīms
Ja ārējā gaisa temperatūra ir ārkārtīgi zema, zemāka par aukstumaģenta temperatūru iztvaicētājā, aukstumaģents ieplūdīs siltummainī. Siltummainī mijiedarbojas divas ūdens caurules, kas savienotas ar dzesēšanas šķidrumu un divas ūdens caurules, kas savienotas ar dzesēšanas šķidrumu, un aukstumaģents var absorbēt elektriskā transportlīdzekļa dzesēšanas sistēmas dzesēšanas šķidruma siltumu. Ja dzesēšanas sistēmas dzesēšanas šķidruma siltums ir nepietiekams, elektriskais sildītājs darbosies, lai sildītu dzesēšanas šķidrumu.

(3) Gaisa + dzesēšanas šķidruma režīms
Aukstumaģents plūst gan uz iztvaicētāju, gan uz iztvaicētāju, absorbējot siltumu gan no gaisa, gan dzesēšanas šķidruma. Kad transportlīdzeklis darbojas, vadības bloks izvēlēsies dažādus darba režīmus atbilstoši vides temperatūrai. Ir arī viedais režīms. Dzesēšanas režīmā aukstumaģenta plūsmas virziens mainās, iztvaicētāja un kondensatora funkcijas tiek apmainītas. Viens no kondensatoriem tiks atdalīts ar nodalījumu un nedarbosies. Elektrisko transportlīdzekļu dzesēšanas sistēmā ir divi trīsceļu vārsti, kas var nodrošināt dzesēšanas sistēmas lielo un mazo ciklu pārslēgšanu.

III. Apkures sistēmas darbības princips
1. Ūdens sildīšanas sistēmas darbības princips

1- Sildītāja serde 2- Sildītāja šļūtene 3- Karstā ūdens vārsts 4- Radiatora šļūtene 5- Izplešanās tvertne 6- Ūdenssūknis 7- Ventilators { {7}} Radiators 9- Dzinējs
2. Siltumsūkņa gaisa kondicionēšanas apkures sistēmas darbības princips

1- Iztvaicētājs 2- Elektriskais ventilators 3- Elektriskais kompresors 4- Šķidruma uzglabāšanas žāvētājs 5- Barošanas akumulatora bloks 6- Izplešanās vārsts siltuma caurulei barošanas akumulatora blokā 7- Siltuma caurule barošanas akumulatora blokā 8- Transportlīdzekļa telpas ventilators 9- Izplešanās vārsts iztvaicētājam transportlīdzekļa salonā 10- Kondensators 11- Siltā gaisa siltummainis {{ 12}} Elektriskā sildīšanas iekārta 13- Siltumsūkņa siltummainis 14- Izplešanās vārsts siltumsūkņa siltummaiņam 15- Elektriskais dzesēšanas šķidruma sūknis 16- Dzesēšanas šķidruma papildināšanas tvertne 17- Slēgvārsts starp elektrisko kompresoru un iztvaicētāju (atvērts, ja vārstam nav strāvas padeves) 18- Slēgvārsts starp iztvaicētāju un šķidruma uzglabāšanas žāvētāju (aizvērts, ja vārstam nav strāvas padeves) 19- Aukstumaģenta vienvirziena vārsts {{21} } Noslēgšanas vārsts starp elektrisko kompresoru un siltumsūkņa siltummaini (atvērts, ja vārstam nav strāvas padeves) 21- Noslēgšanas vārsts starp siltumsūkņa siltummaiņa izplešanās vārstu un šķidruma uzglabāšanas žāvētāju (atvērts, ja vārstam nav strāvas padeves)





